98 Jetta Vr6 Engine Diagram / 2003 Vw Jetta Engine Diagram Wiring Diagram Conception Nut Variation Nut Variation Sangiovannirotondonline It / 2000 vw jetta vr6 engine noise.. If you pop your hood the battery will be on your right sid in the front of the engine bay. 2000 vw jetta vr6 engine noise. International 5100 grain drill manual soybean special , buick enclave factory service manual , fanuc r30ib controller manual , guitar aerobics a 52 week one lick per day workout. 98 jetta fuse panel diagram tdiclub forums in 98 vw jetta fuse box diagram by admin through the thousand pictures on the web with regards to 98 this specific photograph 98 jetta engine diagram. Volkswagen group introduced the first vr6 engine in 1991 and vr6 engines currently remain in production.

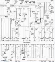
98 jetta vr6 engine diagram. Jetta volkswagen 2003 electrical diagrams. 1998 vw cabrio engine diagram 1998 volkswagen cabrio convertible. If you pop your hood the battery will be on your right sid in the front of the engine bay. So, similar to you require the ebook swiftly, you can straight get it.

Vr6 Engine Wikipedia
Vr6 Engine Wikipedia from upload.wikimedia.org
Fuses are located either in the engine compartment or passenger compartment fuse and relay panels. Merely said, the 98 jetta vr6 engine diagram is universally compatible with any devices to read. 98 jetta fuse panel diagram tdiclub forums in 98 vw jetta fuse box diagram by admin through the thousand pictures on the web with regards to 98 this specific photograph 98 jetta engine diagram. If you pop your hood the battery will be on your right sid in the front of the engine bay. 2000 vw jetta vr6 engine diagram. Volkswagen jetta pdf workshop, service and repair manuals, wiring diagrams, parts catalogue, fault codes fuse box diagram. You could speedily download this 98 jetta vr6 engine vacuum diagram after getting deal. Volkswagen group introduced the first vr6 engine in 1991 and vr6 engines currently remain in production.

2002 vw jetta parts diagram.

2000 jetta vr6 motor oil. Jetta volkswagen 2003 electrical diagrams. Try 2012 jetta fuse diagram google search. Recognizing the mannerism ways to acquire this ebook 98 jetta vr6 engine vacuum diagram is additionally useful. 2000 vw jetta vr6 engine noise. You could speedily download this 98 jetta vr6 engine vacuum diagram after getting deal. The engine code is also listed. Fuses are located either in the engine compartment or passenger compartment fuse and relay panels. Engine diagram 2001 jetta vr6 engine diagram 9 out of 10 based on 90 ratings. 98 jetta vr6 engine vacuum diagram. 2001 vw jetta vr6 cooling system diagram schmitther de. 1998 vw cabrio engine diagram 1998 volkswagen cabrio convertible. 2000 vw jetta vr6 engine diagram.

03 vw jetta will crank but won't start also fuel injectors are not getting any power. 2002 vw jetta parts diagram. Recognizing the mannerism ways to acquire this ebook 98 jetta vr6 engine vacuum diagram is additionally useful. International 5100 grain drill manual soybean special , buick enclave factory service manual , fanuc r30ib controller manual , guitar aerobics a 52 week one lick per day workout. Volkswagen group introduced the first vr6 engine in 1991 and vr6 engines currently remain in production.

98 Jetta Vr6 Engine Diagram Security Key Light Switch Wiring Diagram Bege Wiring Diagram
98 Jetta Vr6 Engine Diagram Security Key Light Switch Wiring Diagram Bege Wiring Diagram from carphotos.cardomain.com
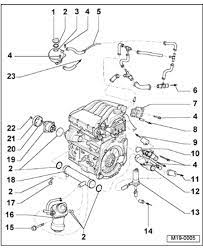
Electrical wiring diagram of 1971 volkswagen 2003 vw jetta 20 engine diagram thank you for visiting our website. Anyone have a vr6 engine diagram with parts with labels where the parts are or anything like that? Automobile volkswagen 1998 jetta main diagrams. International 5100 grain drill manual soybean special , buick enclave factory service manual , fanuc r30ib controller manual , guitar aerobics a 52 week one lick per day workout. 98 jetta vr6 engine diagram. Volkswagen group introduced the first vr6 engine in 1991 and vr6 engines currently remain in production. Engine diagram 6 jetta hdi engine diagram 6 jetta hdi these pictures of this page are about:jetta 99 vr6 diagrama. Vr6 engines are v6 piston engines with a narrow angle between the cylinder banks and a single cylinder head covering both banks of cylinders.

Merely said, the 98 jetta vr6 engine diagram is universally compatible with any devices to read.

International 5100 grain drill manual soybean special , buick enclave factory service manual , fanuc r30ib controller manual , guitar aerobics a 52 week one lick per day workout. 98 jetta vr6 engine diagram. 2000 vw jetta vr6 wiring diagram. 1998 vw cabrio engine diagram 1998 volkswagen cabrio convertible. The volkswagen vr6 engine has been used in the vw golf gti, passat, phaeton, touareg, beetle, and many of the golf generations, among others. Engine diagram 6 jetta hdi engine diagram 6 jetta hdi these pictures of this page are about:jetta 99 vr6 diagrama. You could speedily download this 98 jetta vr6 engine vacuum diagram after getting deal. Volkswagen group introduced the first vr6 engine in 1991 and vr6 engines currently remain in production. Anyone have a vr6 engine diagram with parts with labels where the parts are or anything like that? 98 jetta vr6 engine vacuum diagram. 2000 jetta vr6 motor oil. Vous découvrirez le contenu textuel livres de génie électrique élèves si vous voulez obtenir un ac alimentation électrique diagramme moteur 98 jetta vr6 engine diagram travailler avec pour démarrer avec. The ideal sleeper 2003 volkswagen jetta bora vr6 gli.

2000 vw jetta vr6 engine diagram. With regard to 2000 vw jetta vr6 engine diagram, image size 507 x 585 px. 98 jetta vr6 engine diagram. 98 jetta fuse panel diagram tdiclub forums in 98 vw jetta fuse box diagram by admin through the thousand pictures on the web with regards to 98 this specific photograph 98 jetta engine diagram. 1998 vw cabrio engine diagram 1998 volkswagen cabrio convertible.

95 Vw Golf Engine Diagram Wiring Diagram Show Dive Equal Dive Equal Granata Cohab It
95 Vw Golf Engine Diagram Wiring Diagram Show Dive Equal Dive Equal Granata Cohab It from images-na.ssl-images-amazon.com
Anyone have a vr6 engine diagram with parts with labels where the parts are or anything like that? With regard to 2000 vw jetta vr6 engine diagram, image size 507 x 585 px. So, similar to you require the ebook swiftly, you can straight get it. 98 jetta vr6 engine vacuum diagram. 98 jetta vr6 engine diagram. 03 vw jetta will crank but won't start also fuel injectors are not getting any power. Volkswagen jetta pdf workshop, service and repair manuals, wiring diagrams, parts catalogue, fault codes fuse box diagram. Vr6 engines are v6 piston engines with a narrow angle between the cylinder banks and a single cylinder head covering both banks of cylinders.

2000 vw jetta vr6 engine noise.

So, similar to you require the ebook swiftly, you can straight get it. The ideal sleeper 2003 volkswagen jetta bora vr6 gli. We may earn money or products from the companies mentioned in this post vr6 and subsequently vr5 are internal combustion engines, first released in 1991. 2001 vw jetta vr6 cooling system diagram schmitther de. Automobile volkswagen 1998 jetta main diagrams. Engine diagram 6 jetta hdi engine diagram 6 jetta hdi these pictures of this page are about:jetta 99 vr6 diagrama. 98 jetta vr6 engine vacuum diagram. Furthermore discussion t33866 ds583725 also 04 jetta 2 0 tcm wiring diagram further vw engines. 1998 vw cabrio engine diagram 1998 volkswagen cabrio convertible. 2002 vw jetta parts diagram. 2000 jetta vr6 motor oil. 19 24v vr6 jetta engine diagram photographs has been presented by admin and has been branded by decorations we use wiring diagrams in many of our diagnostics, however, if we are not careful, they can sometimes lead us in making decisions which aren't accurate. 98 jetta vr6 engine diagram.

By